Application of high precision digital source meter in hall effect test
Driven by downstream applications such as AI, 5G, automotive intelligence, and the Internet of Things, the global total demand for semiconductors has maintained steady growth. With the continuous development of application technology, the requirements for the characterization of semiconductor materials are becoming higher and higher, and high-precision Hall characterization is particularly critical for semiconductor materials. Hall effect testing is an important test method for semiconductor materials. It can measure the conductivity type, carrier concentration, transfer rate, resistivity, Hall coefficient and other parameters of semiconductor materials. It can also be used to study impurities and electrically active defects in semiconductors.
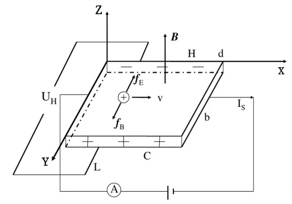
When the current passes through the semiconductor perpendicular to the external magnetic field, the carriers are deflected, and an additional electric field is generated perpendicular to the direction of the current and the magnetic field, thereby generating a potential difference at both ends of the semiconductor. This phenomenon is the Hall effect, and this potential difference is also called the Hall potential difference. As shown in the figure, if the current Is is passed in the X direction and the magnetic field B is applied in the Z direction, the carriers (electrons) in the semiconductor will be subjected to the Lorentz force, and an additional electric field, namely the Hall electric field, will be generated on both sides of the semiconductor in the Y direction.

Taking the application of the NGI N2600 series high-precision digital source meter in the Hall effect test as an example, the test operation is as follows. Place the Hall element of a semiconductor material at the corresponding position of the magnetic field to be measured, and make the element plane perpendicular to the magnetic induction intensity B. The magnetic induction intensity is provided by the excitation device, the excitation current (Im) is provided by the N2600 series source meter, and the precise constant working current (Is) is input into the control end by the N2600 series source meter. Finally, the value of the Hall potential UH is accurately measured at the Hall voltage output end. During the test, the N2600 series source meter can provide 1st and 3rd quadrant current sources, and the input current of the control end can be forward and reverse, and the forward and reverse directions of the excitation current can also synchronously affect the direction of the excitation magnetic field.

Test data processing and analysis:
When the excitation current Im=0.80000A, the measurement data and relationship curve of the Hall voltage UH and Is are as follows:
Table 1 UH-Is Im=0.80000A


The N2600 series high-precision digital source meter also adopts a seven-speed current setting range to minimize the error of the received data. The scanning speed of N2600 can reach 1ms per point, which can quickly establish scanning and thus shorten the test time. N2600 can effectively reduce the thermal magnetic effect of the object under test and can effectively meet the needs of Hall effect testing as a whole.

NGI Profile
Manufacturing Base
Service
Certification



AI Server Power Supply
BMS/Battery Protection Board
3C Electronics
Automotive Electronics
Clean Energy Power Generation
Energy Storage
Semiconductor/IC
After-sales Service
Data Sheet
Product Video
User Manual
Communication Protocol
Software & Driver
Application
FAQ
Applications
New Arrival
Trade Show
EN
CN
AR
FR
IT
JA
KO
PT
RU
ES
TR