Application of high-precision source meter in diode I-V characteristic test
Diodes are common semiconductor two-terminal electronic components. When connected with components such as resistors, capacitors, and inductors, they can form circuits with different functions, achieving multiple functions such as rectification of AC power, detection of modulated signals, limiting and clamping, and voltage regulation of power supply voltage. The figure below shows the I-V curve of a typical diode, including the forward region, reverse region, and breakdown region, as well as common test points, forward voltage (V), leakage current (I), and breakdown voltage (V).

The leakage current (IR) test determines the current level of a diode under reverse voltage conditions. The test is performed by providing a specified reverse voltage source and then measuring the resulting leakage current. In the reverse breakdown voltage (VR) test, a specified reverse current bias source is required and then the resulting diode voltage drop is measured.
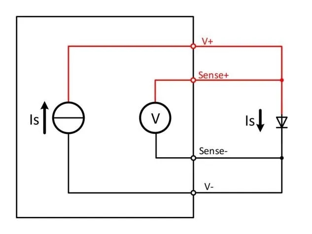
Using a 4-wire connection, the effects of lead resistance can be eliminated. When connecting the leads to the diode, note that the V+ and Sense+ leads are connected to the anode end of the diode, and the V- and Sense- leads are connected to the cathode end of the diode. Make the connection as close to the diode as possible to eliminate the effects of lead resistance on measurement accuracy.

Generally, the diode I-V characteristic test requires the use of high-sensitivity ammeters, voltmeters, voltage sources, and current sources. These necessary instruments need to be programmed, synchronized, connected, measured, and analyzed separately. The process is complicated and time-consuming, and it also takes up too much test bench space. The digital source meter is a special instrument developed for test scenarios that require close integration of source and measurement.

The N2600 series high-precision digital source meter launched by NGI integrates a precise power supply and a high-performance digital multi-meter in one instrument. It can output ultra-high-precision voltage source and current source and provide measurement functions, with a resolution of 6.5 digits and a minimum resolution of 1μV, 10pA, and 10μΩ. It also supports 2/4/6-wire resistance measurement, which can greatly simplify the diode I-V characteristic analysis process and improve test efficiency.
The N2600 series integrates linear sweep and logarithmic sweep modes. The sweep scheme runs automatically after setting the function relationship and protection point. The two basic sweep waveform can be set to single event or continuous operation, which is very suitable for I/V characteristic analysis.

NGI Profile
Manufacturing Base
Service
Certification



AI Server Power Supply
BMS/Battery Protection Board
3C Electronics
Automotive Electronics
Clean Energy Power Generation
Energy Storage
Semiconductor/IC
After-sales Service
Data Sheet
Product Video
User Manual
Communication Protocol
Software & Driver
Application
FAQ
Applications
New Arrival
Trade Show
EN
CN
AR
FR
IT
JA
KO
PT
RU
ES
TR