Application of NGI dc power supply in automotive ECU ground drift test
● Definition of ground drift
Ground drift is a phenomenon in which there is a voltage difference between the negative ground potential of each controller in a car. The battery is the main source of continuous power inside the car. The power supply of the controller in the car is usually directly or indirectly connected to the positive and negative poles of the battery in the car. In order to simplify the wiring harness design and ensure the lightweight of the vehicle, the positive pole of each controller is generally connected to the positive pole of the battery through the wiring harness, and the negative pole is generally directly connected to the metal frame of the car body. Due to the differences in the working loop current and loop resistance of each controller, there may be deviations in the ground potential between the controllers. For example, the ground drift of passenger cars can generally reach a maximum of ±1V, and the return path of commercial vehicles is longer, and the ground drift can reach a maximum of ±5V.
The hazards of ground drift:
1.Cause internal communication failure: Two ECUs that communicate with each other refer to different ground levels when they actually work, which may cause communication failures such as CAN and LIN.
2.Affect switch control: Usually, the installation position of the controller and the switch quantity collection position are far apart (such as the main driver's seat key switch), which causes the collection switch to have a ground drift problem relative to the controller, thereby affecting the control of the electronic components of the car body.

Ground drift test is one of the important test items of automobile ECU, which can effectively evaluate the communication and control performance of automobile ECU. Therefore, ground drift test is generally required in the development and production process of ECU.
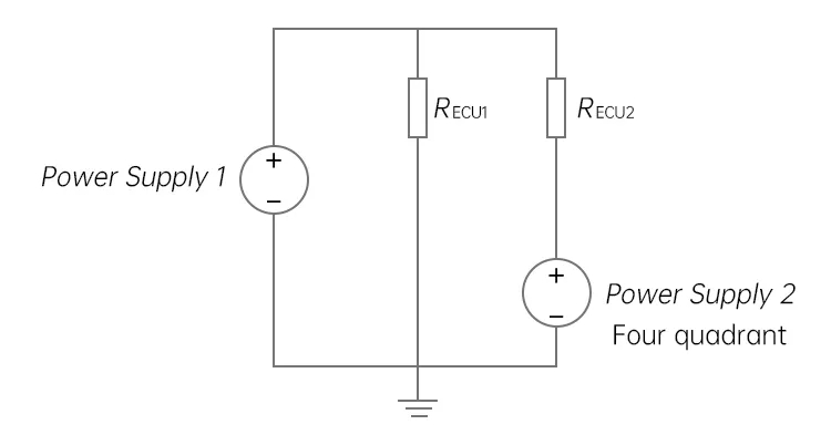
● Test method

As shown in the figure above, a ground drift circuit composed of a programmable DC power supply Power Supply 1, a ground drift power supply Power Supply 2, and resistors RECU1 and RECU2 is usually used for ground drift test. The ground drift power supply usually uses a four-quadrant power supply, which can both output power and absorb power.
By setting the output voltage direction of the ground drift power supply Power Supply 2, the ground offset between any ECU of the vehicle and other ECUs can be set:
1.When Power Supply 2 is set to positive voltage, the ground potential of ECU2 is higher than the ground potential of ECU1;
2.When Power Supply 2 is set to negative voltage, the ground potential of ECU2 is lower than the ground potential of ECU1. At this time, the ground drift test can be completed by assisting other circuit designs and monitoring communication messages and switch status.
● Application of NGI high-performance power supply in ground drift test
NGI's independently developed N8361 high-performance power supply can be used for ground drift test of automobile controllers. The product supports four-quadrant programmable output and can be used to test the ground drift power supply in the system. The main parameters of the product are as follows:
Voltage Range -20V~+20V
Current Range -10A~+10A,Power Range:0-200W
Voltage rise and fall time ≤50μs
Voltage ripple≤1mVrms
Current accuracy up to 1μA
Voltage accuracy 0.01%+2mV
In addition, combined with the N36100 highly integrated programmable power supply, this model can be used for ECU power supply, and its 1U ½19'' small volume design can effectively save test space.

NGI Profile
Manufacturing Base
Service
Certification



AI Server Power Supply
BMS/Battery Protection Board
3C Electronics
Automotive Electronics
Clean Energy Power Generation
Energy Storage
Semiconductor/IC
After-sales Service
Data Sheet
Product Video
User Manual
Communication Protocol
Software & Driver
Application
FAQ
Applications
New Arrival
Trade Show
EN
CN
AR
FR
IT
JA
KO
PT
RU
ES
TR